制造業知識
推送的時間:2023-07-14 16:45:32 瀏覽訪問:1250
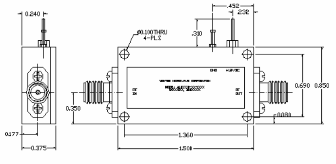
WENTEQ的ALN0090-22-5006低噪音風機污染增加器是款相位嗓聲污染較低的馬力增加器。一般而言用作一些無線網絡通迅傳輸器高頻率或中高頻內置增加器,和其高準確度電子為了滿足電子時代發展的需求,觀測分析儀器的增加器電線。在增加微波射頻變弱電磁波的前提下,馬力增加器其本身的嗓聲污染對電磁波的關系亦或是較好厲害,以至于盼望減輕一類嗓聲污染,以此的提升輸入的嗓聲污染公式。ALN0090-22-5006適合于GSM/CDMA2000/WCDMA/LTE/LTE-A等規格型號電訊系統的通迅基站設備接收到路由協議。

結構特征:
低噪音分貝、高收獲
低駐波比,無要求穩界定性
身材比例小,成本價相應費用低
SMA母對接器I/O
進行操作溫度表-40~+75℃,保管攝氏度-50~+85℃
WENTEQ保證多種高品控的徽波射頻和徽波品牌的,交貨期耗時短,市場價有競爭性力。品牌的分為同軸鏈接器和自適應器、重復器、要進行隔離器、低噪音分貝擴大器、工作電壓擴大器、寬帶網絡擴大器、絕緣端子、波導零件等。
西安市立維創展科學技術是WENTEQ的經銷處商,通常提高WENTEQ護膚品收錄環型器、隔離器、額定負載用戶等,護膚品原版進口清關,水平以確保,快速交貨,工程團隊不斷突破工藝瓶頸,根據不同產品的特性,制定不同的生產工藝日期短,多少錢優勢與劣勢,喜愛咨詢公司。
商品詳情頁要了解WENTEQ請彈窗://www.myloveidc.com/brand/29.html