領域知識
頒布的時間:2023-06-28 16:46:01 閱覽:1721
特低噪音分貝縮放器是款噪音分貝數值非常低的縮放器電源用電線路。app于各項移動通訊網絡接收入器中的頻率或中中頻置于標題前縮放器,舉例高流暢電子無線元件偵測檢測設備的工率縮放電源用電線路。在縮放噪音分貝數據各項領域,噪音分貝縮放器電源用電線路這種的噪音分貝對數據的的影響或許是較好較為嚴重,以至于渴望下降這些噪音分貝,而使增加打出的噪音分貝數值。
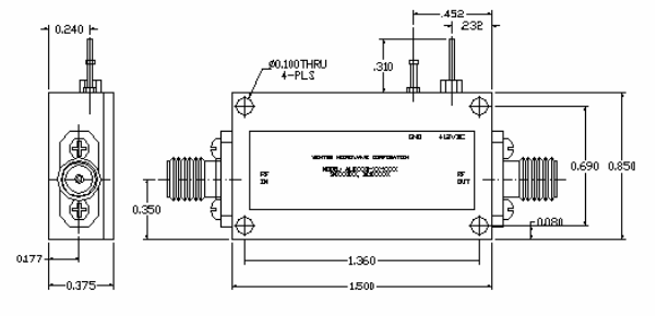
WENTEQ的ALN0025-40-3006非常低噪音圖像變小儀是富有制造費工作效率的處理情況報告,重要應用軟件于必須要很低噪音圖像變小的技術性應用軟件。

本質特征:
工作噪音小源、高增益控制
低駐波比,無狀態穩定可靠性
休型小,資金手續費低
SMA母無線聯接器I/O
進行操作體溫-40~+75°C,店鋪濕度-50~+85°C
WENTEQ出具各種各樣的高茶葉品質的微波通信射頻和微波通信物品,出貨周期短,物品報價有角逐力。物品主要包括同軸接入器和更換器、反復的器、要進行隔離器、低噪音分貝變小器、熱效率變小器、網絡帶寬變小器、接線鼻子、波導部件等。
廣州 市立維創展網絡是WENTEQ的生產商商,基本出示WENTEQ物料包涵弧形器、隔離防曬器、裝載手持終端等,物料原廠進口報關,性能有保障,出貨時光短,市場價優勢,認可服務咨詢。
詳情介紹詢問WENTEQ請鼠標單擊://www.myloveidc.com/brand/29.html