相關行業新聞資訊
推出精力:2023-06-06 16:49:39 查看:1814
超低噪聲放大器具備非常低的相位噪聲、相對較高的OIP3功率,都可以使用GSM/CDMA2000/WCDMA/LTE/LTE-A等模式通訊系統的通信基站傳輸線路。
WENTEQ的ALN0025-08-5208NW特低燥音污染調小器是頗具資金能力的工作手段,注意適用于必須較低燥音調小的運用。

性能特點:
低躁聲和高增益值
低駐波比,無能力比較穩定義
體形小,成本低相應費用低
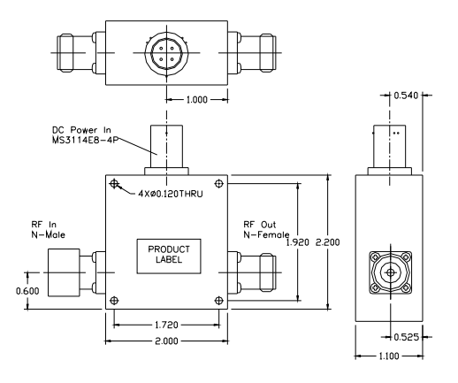
50ΩN公頭頻射投入,N母頭rf射頻導出
適合于直流電壓穩電容式源顯示MS3114E8-4P對接器
單車道+24V直流電流值穩光電探測器源,內嵌式電流值調高器
操作流程環境溫度-40~+85°C,保存標準-55~+125°C
阻燃性封口彩盒,常見用作野處應用,表面層漆成橘黃色
WENTEQ作為多種高品味的rf射頻和微波通信產品,交貨期事件短,的價格有之間的技術創新能力。產品具有同軸連接方式器和匹配器、不斷循環器、隔離器、工作噪音小污染變小器、電機功率變小器、寬帶網絡變小器、端子排、波導電氣元件等。
成都 市立維創展科技產業是WENTEQ的生產商商,基本給出WENTEQ商品具有環行器、防護隔離器、電流刷卡設備等,商品原版進口貨,產品品質 保障,快速交貨,工程團隊不斷突破工藝瓶頸,根據不同產品的特性,制定不同的生產工藝準確速度快,報價好處,迎接網絡咨詢。
具體詳情詳細了解WENTEQ請超鏈接://www.myloveidc.com/brand/29.html