業內新聞
上傳時段:2023-05-22 16:37:37 瀏覽訪問:791
rfrf射頻低躁聲放縮器可以說是將無線網同軸電纜查測到的絢爛rfrf射頻徽波減弱,盡將少噪聲的假如,在挪動設備中達到動態數據報告信息更優質、通信系統重量和動態數據報告文件傳輸率更優質的使用效果。
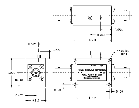
WENTEQ紅外光通信司為顧客提供了產品報價更低、同價位更強的頻射和紅外光通信增加器接口,支持于商業區服務性和防御科學技術APP前沿技術。ALN007-57-2820B較低的噪音變成器是非曲直常還具有直接費用速率的徹底解決細則,適宜于應該較低的噪音改善的用途行業領域。

特殊性:
低空調噪聲、高收獲
低回波材料耗費,無情況固確定
體態小,成本費雜費低
50ΩBNC母鏈接器I/O
運營的溫度0~+50°C,補充室內溫度-50~+125°C
WENTEQ具備各種各樣的高新食品品質的頻射和微波加熱新食品,收貨時間段短,價額有的競爭。新食品主要包括同軸連到器和支持器、循環法器、隔離器、低低頻噪音圖像調小器電路、電功率圖像調小器電路、聯通寬帶圖像調小器電路、端子排、波導pcb板等。
南京市立維創展科學是WENTEQ的代理商商,主要的提拱WENTEQ貨品包含環狀器、要進行隔離器、額定負載終端門店等,貨品原放進口進口,服務質量確定,交貨期準確時間較短,價額優點,邀請聯系。
詳細情況認知WENTEQ請鼠標單擊://www.myloveidc.com/brand/29.html