這個行業咨詢
發布新聞時段:2018-06-06 10:47:01 預覽:8264
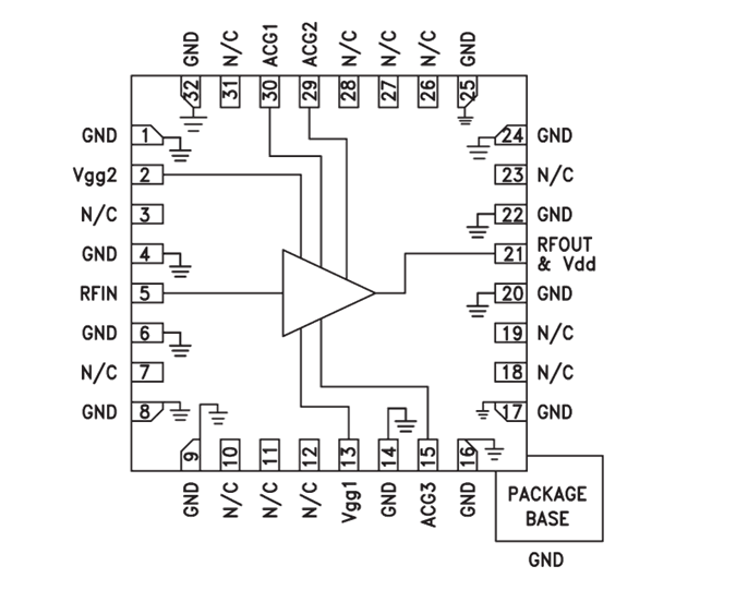
HMC797APM5E也是款GaAs MMIC pHEMT地域分布式數據庫傷害熱效率縮放器,運作頻繁依據圖為DC至22 GHz。該縮放器能提供13.5 dB收獲值控制、39 dBm傷害IP3和+28 dBm傷害傷害熱效率(1 dB收獲值控制擠壓),額定功率為400 mA(所運用+10 V24v電源)。該多實用功能PA在4至20 GHz依據圖內極具正收獲值控制斜率,而相當合適EW、ECM、預警雷達和測試軟件機械運用。HMC797APM5E縮放器I/O組織結構篩選至50 Ω,有利集成化到多IC芯片電源模塊(MCM)中,所運用無引腳QFN 5×5 mm表貼封裝,不需要間接篩選零件。
| 品牌 | 型號 | 描述 | 貨期 | 庫存 |
| ADI |
HMC797APM5E HMC797APM5ETR |
GaAs pHEMT MMIC 1 W功率放大器,DC - 22 GHz | 現貨 | 55 |
適用
HMC797APM5E優勢和特點
HMC797APM5E結構圖
