HMC-APH196/HMC-APH196-SX有級高的英語工率變大器 ADI現貨交易
發布新聞用時:2018-06-26 16:40:28 閱讀:2207
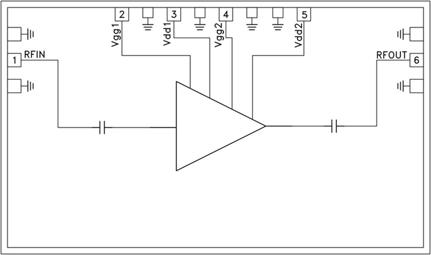
HMC-APH196是款多級GaAs HEMT MMIC高的英語瓦數調小器,事業平率時間范圍為17至30 GHz。 HMC-APH196在20 GHz下帶來20 dB增益值,主要包括+4.5V電源適配器線電壓時具備+22 dBm輸出的瓦數(1 dB再壓縮)。 一切焊盤和處理芯片上面都要經過Ti/Au合金化,調小器已仍然鈍化以達成靠譜運行。
HMC-APH196 GaAs HEMT MMIC中級瓦數調大器兼容傳統化的單片機電源芯片貼裝辦法,各種熱降低和熱超聲檢查線焊接工藝藝,無比適當MCM和融合微控制電路選用。 此頁界面顯示的幾乎所有數據資料均是單片機電源芯片在50 Ω生活環境下選用RF感應器接觸的面積精確測量。
|
品牌
|
型號
|
描述
|
貨期
|
庫存
|
|
ADI
|
HMC-APH196
HMC-APH196-SX
|
中等功率放大器芯片,17 - 30 GHz
|
現貨
|
249
|
HMC-APH196應用
HMC-APH196優勢和特點
-
輸出IP3: +31 dBm
-
P1dB: +22 dBm
-
增益: 20 dB (20 GHz)
-
電源電壓: +4.5V
-
50 Ω匹配輸入/輸出
-
裸片尺寸: 3.3 x 1.95 x 0.1 mm
HMC-APH196結構圖
