HMC608LC4/HMC608LC4TR/HMC608LC4TR-R5中低工率增加器 ADI現貨平臺
發布了時候:2018-06-26 16:19:23 訪問 :2462
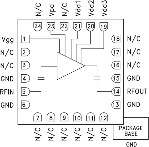
HMC608LC4是款高靜態的的范圍GaAs pHEMT MMIC高的英語輸出的放縮器,通過無引腳“無鉛”SMT封裝。該放縮器展示了兩類運轉上任務形式 ,:高收獲形式 ,(Vpd引腳短接至地);和低收獲形式 ,(Vpd引腳保持良好串入)。下表界面顯示了在高收獲形式 ,下運轉上任務的放縮器的機電產品規格。該放縮器具有著9.5至11.5 GHz的運轉上任務的的范圍,展示了29.5 dB收獲、+27.5 dBm飽和狀態輸出的和23% PAE(+5V外接電源端電壓)。噪音分貝彈性系數為6 dB,而輸出的IP3為+33 dBm。隔直RF I/O一致至50 Ω,用不方便。HMC608LC4不能自己線焊,能夠 用表貼營造技術應用。
|
品牌
|
型號
|
描述
|
貨期
|
庫存
|
|
ADI
|
HMC608LC4,HMC608LC4TR,HMC608LC4TR-R5
|
中等功率放大器,采用SMT封裝,9.5 - 11.5 GHz
|
現貨
|
237
|
HMC608LC4應用
HMC608LC4優勢和特點
-
輸出IP3:+33 dBm
-
飽和功率:+27.5 dBm (23% PAE)
-
增益:29.5 dB
-
電源:+5V(310 mA時)
-
50 Ω匹配輸入/輸出
-
符合RoHS標準的4x4 mm SMT封裝
HMC608LC4結構圖
