HMC-APH634有級GaAs HEMT MMIC中等水平輸出功率放縮器 ADI現貨平臺
發布了時刻:2018-06-26 15:32:54 預覽:7012
HMC-APH634就是一款多級GaAs HEMT MMIC中檔模擬輸出圖像變小器電源線路,上班幾率範圍為81至86 GHz。 HMC-APH634可以提供12 dB增加收益,利用+4V電壓時極具+20 dBm模擬輸出模擬輸出(1 dB壓縮視頻視頻)。 大部分焊盤和心片正面都要經過Ti/Au重金屬化。 HMC-APH634 GaAs HEMT MMIC中檔模擬輸出圖像變小器電源線路兼容傳統文化的心片貼裝策略,并且 熱壓縮視頻視頻和熱超音波線電工藝,比較是和MCM和混合型喂養微電源線路應用。 這兒提示的大部分的數據均是心片在50 Ω環保下用RF紅外探頭打交道測量。
|
品牌
|
型號
|
描述
|
貨期
|
庫存
|
|
ADI
|
HMC-APH634
|
中等功率放大器芯片,81 - 86 GHz
|
現貨
|
198
|
運用
HMC-APH634優勢和特點
-
高增益: 12 dB
-
高P1dB: +19 dBm
-
電源電壓: +4V
-
50 Ω匹配輸入/輸出
-
裸片尺寸:
2.57 x 1.70 x 0.05 mm
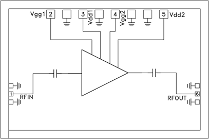
HMC-APH634結構圖
