HMC394LP4工作噪音小污染GaAs HBT可語言編程5位計數器器 現貨交易
披露時間間隔:2019-02-26 17:20:32 瀏覽器:1781
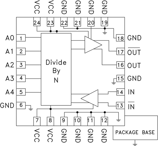
HMC394LP4(E)就是款工作噪音小源GaAs HBT可程序編寫5位計數器法器,用4x4 mm無鉛外觀貼裝封口。 在投入的頻繁 高達hg2.2 GHz時,該電子元件可在N為2至32范疇完成間斷分頻。 轉換電流擺幅為800 mV,占空比與N負相關。100 kHz紊亂時,該計數器法器的加性SSB相位低頻噪音污染源低至?153 dBc/Hz,極其合適工作噪音小源的頻繁 制作而成器適用。
|
品牌
|
型號
|
貨期
|
庫存
|
|
ADI
|
HMC394LP4
|
1周
|
90
|
若是您要購賣HMC394LP4,請點一下左測售后客服搞好關系我們的!!!
應用
優勢和特征
-
SSB相位噪聲: -153 dBc/Hz(100 kHz)
-
可選分頻:2至32
-
并行5位控制
-
寬輸入功率范圍: -20至+10 dBm
-
4x4 mm無鉛SMT封裝
示意圖

深圳市立維創展科技代理銷售ADI現貨產品,致力于為廣大客戶提供低價格、高質量、有保障的產品,提供優質的售前與售后服務技術。如您有任何產品需求以及服務請聯系我們客服人員,我們會再第一時間內為您解決問題。