該行業咨訊
上架事件:2019-02-25 11:12:58 查詢:2176
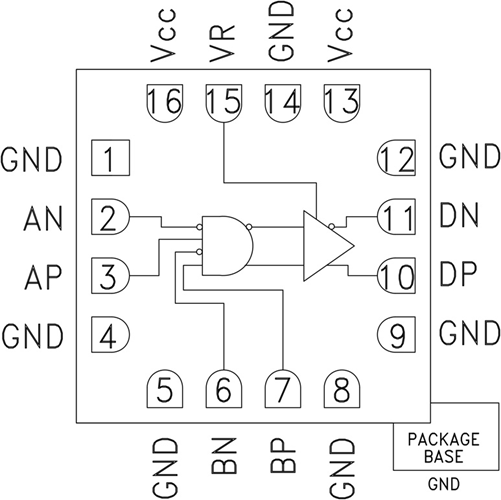
HMC746是種AND / NAND / OR / NOR特點,重要途徑鼓勵可可以達到13 Gbps的數據資料傳導強度和可可以達到13 GHz的石英鐘聲音頻率。HMC746都可以很便捷地手機配置為展示 下述絲毫結構工作:AND,NAND,OR和NOR。HMC746還還具有打印輸出電平操作引腳VR,可推動損耗費補償費或電磁波電平整合。
HMC746的整個進入和所在的信號均以50歐姆至V cc片內端接,能夠是交流溝通或交流電耦合電路。搜索和所在還可以直接性相連接到50歐姆至V cc端接體系,而倘若端接體系接地保護50歐姆,則能運用隔直濾波電容。HMC746適用+ 3.3V單開關電源輸電,適用不符合RoHS標準單位的瓷磚3x3 mm SMT裝封。
若是您必須入手HMC746LC3C,請超鏈接右方客戶服務找話題企業!!!
品牌
型號
貨期
庫存
ADI
HMC746LC3C
1周
90
用途
優勢和特征
22/21 ps
轉換的電壓擺幅:600 - 1100 mV
SMT二極管封裝:9mm2
示意圖
