HMC409LP4E/HMC409LP4ETR有速率電機功率放縮器 ADI期貨
發布新聞事件:2018-06-26 11:07:05 瀏覽器:7547
HMC409LP4(E)就是款高效性率GaAs InGaP HBT MMIC電機公率拖動器,操作工作頻率標準為3.3至3.8 GHz。 該拖動器主要運用低投資成本、無鉛SMT芯片封裝。 它主要運用最小的外接元器件,展示31 dB收獲,飽合電機公率為+32.5 dBm,電原工作電壓為+5V。 電機公率把握(Vpd)可以于全空調省電方法或RF傳輸電機公率/感應電流把握。 對于那些+22 dBm OFDM傳輸電機公率(64 QAM, 54 Mbps),HMC409LP4(E)可推動2%的隨機誤差矢量圖震幅(EVM),然后無法WiMAX 802.16曲線度規定。
|
品牌
|
型號
|
描述
|
貨期
|
庫存
|
|
ADI
|
HMC409LP4E
HMC409LP4ETR
|
1 W功率放大器SMT,3.3 - 3.8 GHz
|
現貨
|
237
|
HMC409LP4應用
-
WiMAX 802.16
-
固定無線接入
-
無線本地環路
HMC409LP4優勢和特點
-
增益: 31 dB
-
40% PAE (+32.5 dBm pout)
-
2% EVM (Pout = +22 dBm)
具有54 Mbps OFDM信號
-
+46 dBm輸出IP3
-
集成功率控制(Vpd)
-
+5V單電源
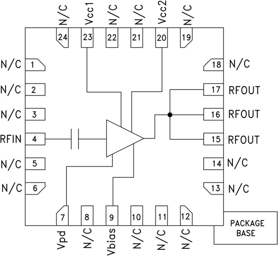
HMC409LP4結構圖
