HMC847LC5極速4:1多路重復使用器 ADI期貨
披露時間段:2019-02-20 16:15:19 手機瀏覽:1768
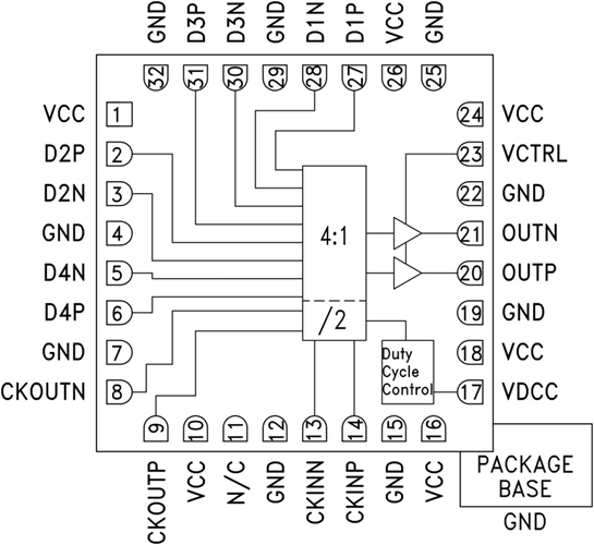
HMC847LC5是一個款4:1多路多路多路復用器,設計方案用來45 Gbps數據源報告顯示串行APP。 多路多路多路復用器在輸進鐘表的轉變成點鎖存以下差分輸進。 該配件安全使用半波特率鐘表的持續增長沿和下滑沿來串行接入數據源報告顯示。 片內生產1/4波特率鐘表輸入,與HMC847LC5的數據源報告顯示輸入云同步。
HMC847LC5的全部掛鐘和數據信息統計搜索/傷害均用到CML并用片內50 Ω端接至VCC,可以使用到直流電壓或溝通交流合體。 HMC847LC5的搜索和傷害可以使用到差分或單端配值工作的。 HMC847LC5還集合兩個傷害電平有效保持引腳VCTRL,可以使用于耗損應對或無線信號電平優化方案。 VDCC引腳有效保持數據信息統計傷害相互點與占空比。 HMC847LC5用到+3.3V單電源模塊配電,作為適用ROHS原則的5x5 mm SMT打包封裝。
|
品牌
|
型號
|
貨期
|
庫存
|
|
ADI
|
HMC847LC5
|
1周
|
120
|
要是您所需夠買HMC847LC5,請選擇右面軟件客服建立在線留言公司!!!
HMC847LC5適用
-
SONET OC-768
-
RF ATE應用
-
寬帶測試和測量
-
串行數據傳輸高達36 Gbps
-
高速DAC接口
HMC847LC5優勢和特點
-
支持高達36 Gbps的數據速率
-
半速率時鐘輸入
-
?速率參考時鐘輸出
-
快速上升和下降時間: 11/12 ps
-
可編程差分輸出電壓擺幅: 250 - 900 mVp-p
-
單電源: +3.3V
-
32引腳5x5mm SMT封裝: 25mm2
HMC847LC5示意圖
