HMC311LP3異質結雙導電性納米線管 ADI外盤
發布消息日子:2019-02-18 10:05:38 閱覽:1620
HMC311LP3就是款GaAs InGaP異質結雙正負晶狀體管(HBT)收獲信息模塊MMIC SMT調大器,事情平率范圍內為DC至6 GHz。 此款3x3mm QFN打包封裝調大器適用作級聯50 Ohm收獲級或用到驅程模擬輸送瓦數更是高達+17 dBm的HMC混頻器LO。 HMC311LP3(E)展示14.5 dB的收獲,+32 dBm的模擬輸送IP3,一同僅需+5V主機電源展示56 mA交流電。 采用的達林頓調查問卷對可減低對順利工藝技術發生改變的神經敏感度,展示出眾的溫收獲不穩相關性性,只需非常少的對外部偏置pcb板。
|
品牌
|
型號
|
貨期
|
庫存
|
|
ADI
|
HMC311LP3
|
1周
|
60
|
要是您須要購HMC311LP3,請打開一側客服熱線練習我們都!!!
HMC311LP3選用
-
蜂窩/PCS/3G
-
固定無線和WLAN
-
有線電視和電纜調制解調器
HMC311LP3優勢和特殊性
-
P1dB輸出功率: +15.5 dBm
-
輸出IP3: +32 dBm
-
增益: 14.5 dB
-
50 Ohm I/O’s
-
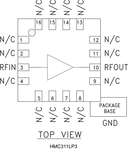
16引腳3x3 mm SMT封裝: 9mm2
HMC311LP3結構圖

深圳市立維創展科技代理銷售ADI現貨產品,致力于為廣大客戶提供低價格、高質量、有保障的產品,提供優質的售前與售后服務技術。如您有任何產品需求以及服務請聯系我們客服人員,我們會再第一時間內為您解決問題。