市場最新資訊
披露時光:2019-02-15 10:36:27 瀏覽器:1839
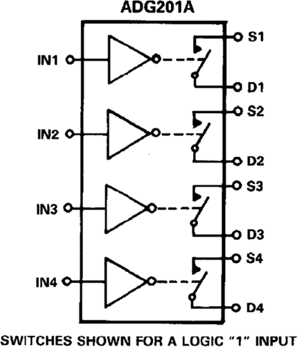
ADG201AKNZ/ADG201AKPZ一款單集成icCMOS功率器件,內部自帶四種獨自必選的旋鈕。他們采取怎強型LC 2 MOS工藝技術設定,可提高±15 V的最高數據工作業務能力。這個按鈕還包括高按鈕效率和低R ON。
ADG201A電源開關在相對應的把控好插入上接聽電話思維邏輯低電平。當ON時,每隔轉換控制開關在兩位方朝上導電特性差不多,而且每隔轉換控制開關都兼備提升到電源適配器的進入預警比率。很多面板電源開關都擁有先開后合的面板電源開關拉伸動作,可于多路復接器適用。規劃固定性的是低電荷量進入,是為了在更改小數輸入時完成面值最小瞬態。
假如您必須 購ADG201AKNZ,ADG201AKPZ,請雙擊右下qq客服連接我們都!!!
品牌
型號
貨期
庫存
ADI
ADG201AKNZ
ADG201AKPZ
1周
100
長處和特色
ADG201A-EP鼓勵國防科技和南航航空工業采用(AQEC準則)
結構圖

深圳市立維創展科技代理銷售ADI現貨產品,致力于為廣大客戶提供低價格、高質量、有保障的產品,提供優質的售前與售后服務技術。如您有任何產品需求以及服務請聯系我們客服人員,我們會再第一時間內為您解決問題。