HMC515LP5E/HMC515LP5ETR雙導電性結晶體管 ADI銷售商外盤
上傳時刻:2019-01-23 09:49:37 訪問:2075
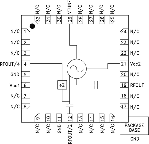
HMC515LP5E都是款GaAs InGaP異質結雙導電性晶胞管(HBT) MMIC VCO。 HMC515LP5(E)集成功了諧振器、負電容元器件封裝和變容二級管,可輸入半頻,并出示6分頻輸入。 是因為自激自激振蕩器的單心片構造,VCO的相位燥音能力在高溫、沖擊性和的工藝必備條件下均十分的出眾。 選擇+5V開關電源交流電壓值時,輸入功率為+10 dBm(基本特征值)。 若果不應該,是可以阻止預分頻器性能以合理節省瞬時電流。 該交流電壓值有效控制自激自激振蕩器選擇無引腳QFN 5x5 mm表貼封裝,無須外面識別電氣元件。
|
品牌
|
型號
|
貨期
|
|
ADI
|
HMC515LP5E
HMC515LP5ETR
|
1周
|
|
如若您需要購買HMC515LP5E/HMC515LP5ETR,請點擊右側客服聯系我們!!!
|
采用
-
VSAT無線電
-
點對點/多點無線電
-
測試設備和工業控制
優勢和特點
-
雙路輸出: Fo = 11.5 - 12.5 GHz
Fo/2 = 5.75 - 6.25 GHz
-
Pout: +10 dBm
-
相位噪聲: 典型值為-110 dBc/Hz(100 kHz)
-
無需外部諧振器
-
QFN無引腳SMT封裝,25 mm2
設計圖
