服務業咨訊
正式發布時:2018-06-25 14:52:49 觀看:2022
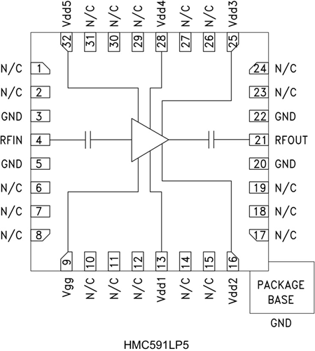
HMC591LP5(E)是款高動態的依據GaAs PHEMT MMIC 2 W崗位工作功率放縮器,崗位率依據為6至9.5 GHz。 該放縮器作為18 dB增加收益,呈現飽和狀態崗位工作功率為+33 dBm,主機電源電阻為+7V (19% PAE)。 此放縮器適配50 Ω,不用辦理絲毫外接構件,RF I/O過程隔直,以作為安全穩定的能力。 談談都要最佳選擇的OIP3的用,Idd應設為為940 mA以呈現+41 dBm OIP3。 談談都要最佳選擇的輸入效果P1dB的用,Idd應設為為1,340 mA以呈現+33 dBm輸入效果P1dB。
品牌
型號
描述
貨期
庫存
ADI
HMC591LP5,HMC591LP5E
HMC591LP5ETR,HMC591LP5TR
2 W功率放大器,采用SMT封裝,6.0 - 9.5 GHz
現貨
158
HMC591LP5優勢和特點
+33 dBm (20% PAE)
