業資訊、短視頻軟件
發布的日期:2022-05-12 16:34:31 搜索:2068
目前市廠上TI的原材料TPS82130、TPS82140、TPS82150急缺,形成產品線商價格多少升值超50倍,IC的那樣的實際價值就已被彎曲。誠然TI的原材料茶葉品質沒法刻薄,被高度買家重視,是如何處理好即使窘境,臺達Cyntec及時指出了pin to pin原位代換措施。
類型 | 搜索電流值 | 輸入額定電壓 | 瞬時電流 |
TPS82130 | 3~17V | 0.9~6V | 3A |
TPS82140 | 3~17V | 0.9~6V | 2A |
TPS82150 | 3~17V | 0.9~6V | 1A |
TPSM82903 | 3~17V | 0.4~5.5V | 3A |
這徵型POL供電信息模塊,密度小,僅為3.0mm x 2.8mm x 1.5mm,集成為了DC-DC基帶芯片、電感,大程度地創新了雇主開發,直接就可以帶來超好EMI優點。

而Cyntec的原位替代產品 MUN12CAD03-SEC , 以完全不用改動PCB,并且以超低的紋波特性,被廣泛應用于儀表、通信、服務器等領域。
1. 技術參數相比較
尺寸 | 寸尺 | 填寫電流 | 輸出的電阻值 | 功率 | Vfb |
TPS82130 | 2.8*3.0*1.5mm | 4.5~17.0V | 0.9~6.0V | 3A | 0.8V |
MUN12AD03-SEC | 2.8*3.0*1.5mm | 4.5~17.0V | 0.8~5.5V | 3A | 0.6V |
2. 重命名應用領域引導:
(1)TPS82130是確認內部管理交流電壓值鉗位控住打火過程中的輸出精度交流電壓值斜率,來解決過大的浪涌電壓并保障受控的轉換額定電壓回升時長。當 EN引腳被拉高時,元件會在 55μs(基本特征值)的延后后剛剛開始電源開關,而且打印內容導出功率電阻值以由拼接到 SS/TR 引腳的外接濾波電器皿把控的斜率升。運行運行十分小的濾波電器皿或使 SS/TR 引腳懸在空中,可改變非常快的起動的時間。TPS82130 要起動至預偏置打印內容導出濾波電器皿。在預偏置起動前三天,在內外部功率電阻值鉗位將打印內容導出功率電阻值布置為低過預偏置功率電阻值前,5個電功率 MOSFET 沒辦法上線。當元件是關斷、欠壓綁定或熱關斷工作動態時,拼接到 SS/TR 引腳的濾波電器皿由內外部功率電阻器電池充電。從這么多工作動態取到會出現新的起動字段。
可能MUN12AD03-SEC的SS軟發動與TPS82130有差距,MUN12AD03-SEC不要有在這一所在端接的L22電感/磁珠,則想要根本上電時序。參看表達式正確:

(2)TPS82130與MUN12AD03-SEC的運轉紋波自測結論詳細

臺達的貨品品質保證,也可以完全性規定要求高準確度的24v電源規定要求。
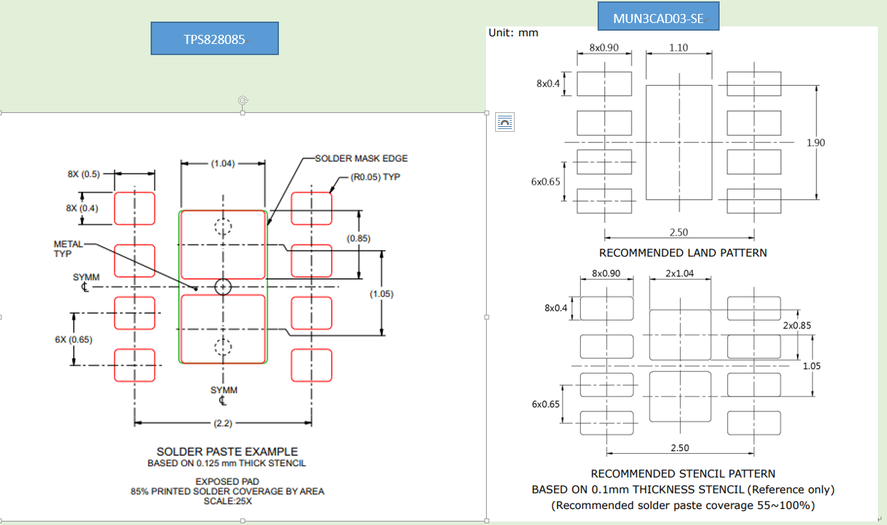
3. 產品設備的貼片步驟還要注意情況說明:
TI的原輔材料鋼網規格尺寸太小,引發鋼網過錫量不飽滿圓潤。尺寸過大,本身實際情況如可以參考Cyntec的的溫度Reflow,則會現身錫料增長率太高造成過多概念化。即差不多不上錫的的狀態。則可以從TPS82130設置的的貼片 ,同時發布這款SMT鋼網 。
長沙市立維創展科技信息管理權限代銷商Cyntec全程商品,傾力為老客戶出具高茶葉品質、質理高、的物品報價委托公證的主機電源信息模塊商品。商品正品進出口,質切實保障,并成中華地區市場中出具高技術蘋果支持,迎接在線咨詢。
情況了解一下Cyntec請打開網頁://www.myloveidc.com/brand/16.html